![]()
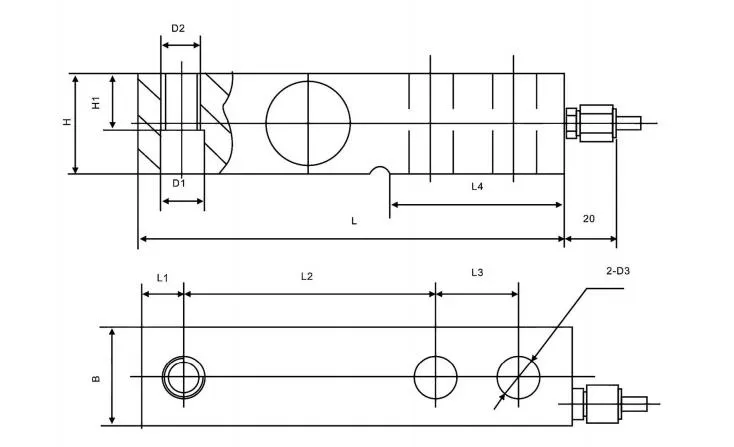
رسم حجم المنتج

| القدرة | (ل) | L1 | L2 | L3 | L4 | الـ H/B | H1 | د | D2 | D3 |
| 0.5T ~ 3T | 130 | 12.7 | 76.2 | 25.4 | 57 | 31.8 | 15.9 | Φ18 | M16*1.75 | Φ18 |
| 3T ~ 5T | 171.5 | 19 | 95.3 | 38.1 | 72.5 | 38.1 | 26 | Φ20 | M20*1.5 | Φ20 |
| 7.5T ~ 10T | 222.5 | 25.3 | 124 | 50.8 | 10.2 | 50.8 | 25.4 | Φ27 | M24*2 | Φ27 |
قائمة معايير المنتج
| القدرة | T | 0.5 ~ 10T |
| الناتج القياسي | mv/v | 2.0/3.0±0.2 |
| غير خطية | %F.S | 0.03 |
| التهاب النفس | %F.S | 0.03 |
| التكرار | %F.S | 0.03 |
| (كريبت) | % F.S/3min | 0.03 |
| تأثير الحرارة عند الصفر | %F.S/10oC | 0.03 |
| تأثير الحرارة على المدى | %F.S/10oC | 0.03 |
| رصيد صفر | mv/v | ± 0.03 |
| عائق المدخل | Ω | 380±20 |
| عائق الخروج | Ω | 352±5 |
| مقاومة العزل | MΩ | ≥5000(100VDC) |
| فولتاج الإثارة الموصى به | VDC | 5 ~ 12 |
| الجهد الإثارة المسموح به | VDC | 5 ~ 15 |
| الحرارة المكافأة | oC | -10oC~ +40oC |
| درجة حرارة العمل | oC | -20oC60oC |
| الحمل الزائد الآمن | %F.S | 120 |
| الحمل المفرط | %F.S | 150 |
| الاتصال | الإثارة: الأحمر: + الأسود:- | |
| إشارة: أخضر: + أبيض:- | ||
معلومات الشركة
![]()
رويجيا هي شركة خدمة تقنية متخصصة في أبحاث تقنية قياس القوة، وبحوث وتطوير المنتجات، والإنتاج، والمبيعات والخدمة.خلايا الحمل عالية الدقة، أجهزة استشعار من نوع S ، أجهزة استشعار cantilever ، أجهزة استشعار قوة متعددة الأبعاد ، أجهزة استشعار التوتر ، أجهزة إرسال R & D وإنتاج أدوات التحكم وتوفير حلول التحكم في هندسة النظام.الشركة لديها ورش عمل حديثة وواسعة، معدات إنتاج واختبار عالية الجودة، وفريق البحث والتطوير المهني ونظام إدارة مثالي لتوفير حلول معقولة وعملية لعملائنا.مع سنوات من الفهم والفهم في مجال الأتمتة، كانت الشركة دائما ملتزمة بمفهوم تشغيل المؤسسة من "المستخدم أولا" ، وبنت فريق محترف في مجال الأتمتة،وقدم للعملاء منتجات ذات جودة مستقرة ومنتجات ما قبل البيع و ما بعد البيعالخدمات التقنيةنحن دائما نلتزم بمبدأ الابتكار المستقل ، فقط المنتجات الجيدة والإدارة العلمية ، و دائما نلتزم بتوفير منتجات مثالية وحلول النظام ،والذي يحظى باحترام كبير في مجالنا;تتغير باستمرار وتقدم للعملاء خدمات ممتازة ذات قيمة مضافة.