خلية حمولة من النوع S منخفضة الوضوح لوزن الحاويات
خلية الوزن هي جهاز استشعار للقوة. أجهزة الاستشعار هي أجهزة تحويل شكل الطاقة إلى إشارات كهربائية قابلة للقراءة. في هذه الحالة، خلية الوزن تحويل القوة إلى الجهد،يمكن قراءتها بواسطة المعدات الكهربائية. خلية الوزن، على التوالي هي خلية الوزن نقطة واحدة، خلية الوزن شعاع الكانتيليفر، خلية الوزن العمود، خلية الوزن شعاع S، خلية الوزن شعاع.خلية وزن الحمل المصنوعة من الفولاذ المقاوم للصدأ أو مواد الفولاذ المسبوقتكنولوجيا ألمانية، دقة عالية، القدرة على تحميل مكافحة التحيز، مقاومة تأثير قوية؛ سهلة التثبيت، مستوى عال من الحماية.مقياس التعبئة، الميزان الحافل، جهاز الوزن الصناعي، نظام الوزن الصناعي وهلم جرا.
|
 |
الرجاء الاتصال للحصول على تفاصيل المنتجات والكتالوج!
|
المواصفات
|
التقنية
|
المواصفات
|
التقنية
|
|
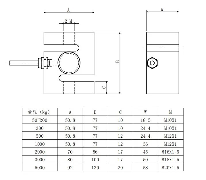
السعة
|
50,100,200,300500 كجم
1,2,3,5t
|
العزل
|
≥ 5000MΩ/100VDC
|
|
الطاقة القياسية
|
2.0±1%mV/V
|
الإثارة الموصى بها
|
5 ~ 12 فولت
|
|
رصيد صفر
|
± 2%mV/V
|
الحد الأقصى للإثارة
|
15 فولت
|
|
غير خطية
|
≤0.02% F.S.
|
نطاق الحرارة المكافأة
|
-10~40 درجة مئوية
|
|
التهاب النفس
|
≤0.02% F.S.
|
نطاق درجة حرارة التشغيل
|
-20 إلى 75 درجة مئوية
|
|
التكرار
|
≤0.02% F.S.
|
الحمل الزائد الآمن
|
150% F.S.
|
|
تأثير الدرجة الحرارية على الإنتاج
|
0.02% F.S. / 10oC
|
الحمل الزائد النهائي
|
500% F.S.
|
|
تأثير الحرارة عند الصفر
|
0.02% F.S. / 10oC
|
حجم الكابل
|
5 م
|
|
عائق المدخل
|
350±100Ω
|
المواد
|
الفولاذ المسبوب |
|
عائق الخروج
|
300±5Ω
|
|
|
|
شركة شيان رويجيا للأدوات القياسية المحدودة هي شركة مصنعة لأجهزة استشعار القوة والمنتجات ذات الصلة ، مكرسة لتوفير حلول عالية الجودة لمختلف الصناعات.مع الالتزام بالابتكار، والموثوقية، والدقة، لقد أنشأنا أنفسنا كشريك موثوق به للشركات في جميع أنحاء العالم.
تأسست في عام 2005، وقد تراكمت سنوات من الخبرة في مجال تكنولوجيا الوزن، مما يتيح لنا تقديم منتجات مصممة خصيصا لاحتياجات عملائنا.مجموعة منتجاتنا تشمل مجموعة شاملة من خلايا الحملنقدم مجموعة متنوعة من منتجات الوزن مناسبة للأتمتة الصناعية والخدمات اللوجستية والنقل والرعاية الصحية والتجزئةوأكثر.
في شركة شيان رويجيا لمعدات القياس، نحن نفخر بخبراتنا التكنولوجية وتفانينا لتحسين مستمر.فريقنا من المهندسين المهرة ملتزمة بتطوير حلول مبتكرة التي تدفع حدود تقنية الوزننحن نخدم زبائن عالميين، نلبي مختلف قطاعات السوق في جميع أنحاء العالم.منتجاتنا تستخدم من قبل الشركات من جميع الأحجام، من الشركات الصغيرة إلى الشركات متعددة الجنسيات، في الأسواق المحلية والدولية على حد سواء.
الجودة هي جوهر كل ما نقوم به. نحن نلتزم بتدابير صارمة لمراقبة الجودة طوال عملية التصنيع لضمان أن منتجاتنا تلبي أو تتجاوز معايير الصناعة.التزامنا بالجودة قد حقق لنا سمعة للموثوقية والتميز بين عملائناوبالإضافة إلى ذلك، رضا العملاء هو أولويتنا العليا. نحن نقدم خدمة العملاء الشاملة والدعم، بما في ذلك الاستشارات التقنية، المساعدة قبل البيع،لضمان تجربة سلسة لعملائنا.
مع التركيز على الابتكار والجودة، ورضا العملاء، شيان Ruijia أدوات قياس الشركة المحدودة هو شريك موثوق به لجميع احتياجات جهاز الاستشعار الوزن الخاص بك.
فوائدنا


الأسئلة الشائعة
س1: كيف تتحكم في الجودة؟
ج: لدينا فريق مراقبة الجودة يتوافق مع TQM، كل خطوة متوافقة مع المعايير. في نفس الوقت، سوف يأخذون الصور وتصوير الفيديو بالنسبة لك.
س2: هل يمكنك طباعة علامتنا التجارية على المنتج؟
ج: نعم، بالطبع، يمكن أن يصنع شعار العلامة التجارية للعميل.
س3: ما هي شروط الدفع؟
ج: T / T، L / C، الخ.
س4: كم مدة فترة الضمان الخاصة بك؟
ج: فترة ضماننا هي 12 شهراً.